H-образные каналы из нержавеющей стали
Краткое описание:
«Н-каналы» относятся к структурным компонентам в форме буквы «Н», которые обычно используются в строительстве и различных конструкционных применениях.
H-образные каналы из нержавеющей стали:
H-образные каналы из нержавеющей стали представляют собой конструктивные элементы, характеризующиеся H-образным поперечным сечением.Эти каналы изготовлены из нержавеющей стали — коррозионностойкого сплава, известного своей долговечностью, гигиеничностью и эстетической привлекательностью.H-образные каналы из нержавеющей стали находят применение в различных отраслях, включая строительство, архитектуру и производство, где их коррозионная стойкость и прочность делают их предпочтительным выбором для структурной поддержки и проектирования. Эти компоненты часто используются при строительстве каркасов, опор и других конструкций. элементы конструкции, где важны как прочность, так и безупречный внешний вид.
Технические характеристики H-каналов:
| Оценка | 302, 304, 314, 310, 316, 321 и т. д. |
| Стандартный | ASTM A276, GB/T 11263-2010, ANSI/AISC N690-2010, EN 10056-1:2017 |
| Поверхность | горячекатаный маринованный, полированный |
| Технологии | Горячекатаный, сварной |
| Длина | От 1 до 6 метров |
Особенности и преимущества:
•Н-образное
поперечное сечение
стальной двутавровой
балки обеспечивает
исключительную несущую
способность как при
вертикальных, так и при
горизонтальных
нагрузках.
•Конструктивная
конструкция стальной
двутавровой балки
обеспечивает высокий
уровень устойчивости,
предотвращая деформацию
или изгиб под
напряжением.
•Благодаря
своей уникальной форме
стальные двутавровые
балки можно гибко
применять к различным
конструкциям, включая
балки, колонны, мосты и
многое другое.
•Стальная
двутавровая балка
исключительно хорошо
работает на изгиб и
сжатие, обеспечивая
устойчивость в сложных
условиях нагрузки.
•Благодаря
своей эффективной
конструкции и
превосходной прочности
стальная двутавровая
балка часто обеспечивает
хорошую экономическую
эффективность.
•Сталь
двутавровой балки
находит широкое
применение в
строительстве, мостах,
промышленном
оборудовании и различных
других областях,
демонстрируя свою
универсальность в
различных инженерных и
структурных
проектах.
•Конструкция
стальной двутавровой
балки позволяет ей лучше
адаптироваться к
требованиям устойчивого
строительства и
проектирования,
обеспечивая
жизнеспособное
структурное решение для
экологически чистого и
зеленого строительства.
Химический состав H-каналов:
| Оценка | C | Mn | P | S | Si | Cr | Ni | Mo | Азот |
| 302 | 0,15 | 2.0 | 0,045 | 0,030 | 1.0 | 17,0-19,0 | 8,0-10,0 | - | 0,10 |
| 304 | 0,08 | 2.0 | 0,045 | 0,030 | 1.0 | 18,0-20,0 | 8,0-11,0 | - | - |
| 309 | 0,20 | 2.0 | 0,045 | 0,030 | 1.0 | 22,0-24,0 | 12,0-15,0 | - | - |
| 310 | 0,25 | 2.0 | 0,045 | 0,030 | 1,5 | 24-26,0 | 19,0-22,0 | - | - |
| 314 | 0,25 | 2.0 | 0,045 | 0,030 | 1,5-3,0 | 23,0-26,0 | 19,0-22,0 | - | - |
| 316 | 0,08 | 2.0 | 0,045 | 0,030 | 1.0 | 16,0-18,0 | 10,0-14,0 | 2,0-3,0 | - |
| 321 | 0,08 | 2.0 | 0,045 | 0,030 | 1.0 | 17,0-19,0 | 9,0-12,0 | - | - |
Механические свойства H-каналов:
| Оценка | Предел прочности на растяжение [МПа] | Yiled Strengtu кси[МПа] | Удлинение % |
| 302 | 75[515] | 30[205] | 40 |
| 304 | 95[665] | 45[310] | 28 |
| 309 | 75[515] | 30[205] | 40 |
| 310 | 75[515] | 30[205] | 40 |
| 314 | 75[515] | 30[205] | 40 |
| 316 | 95[665] | 45[310] | 28 |
| 321 | 75[515] | 30[205] | 40 |
Почему выбрали нас ?
•Вы
можете получить
идеальный материал в
соответствии с вашими
требованиями по
минимально возможной
цене.
•Мы
также предлагаем цены на
доработку, FOB, CFR, CIF
и доставку от двери до
двери.Мы предлагаем Вам
заключить сделку на
доставку, которая будет
весьма
экономичной.
•Материалы,
которые мы
предоставляем, полностью
проверяемы, начиная с
сертификата испытаний
сырья и заканчивая
окончательными
размерами. (Отчеты будут
показаны по требованию).
•Мы
гарантируем ответ в
течение 24 часов (обычно
в тот же час)
•Предоставьте
отчет SGS TUV.
•Мы
полностью посвящены
нашим клиентам.Если
после рассмотрения всех
вариантов не удастся
удовлетворить ваши
требования, мы не будем
вводить вас в
заблуждение, давая
ложные обещания, что
создаст хорошие
отношения с
клиентами.
•Обеспечьте
комплексное
обслуживание.
Какие существуют методы сварки?
Методы сварки включают дуговую сварку, сварку в защитной среде (сварка MIG/MAG), контактную сварку, лазерную сварку, плазменно-дуговую сварку, сварку трением с перемешиванием, сварку давлением, электронно-лучевую сварку и т. д. Каждый метод имеет уникальные области применения и характеристики, подходящие для различных типы заготовок и производственные требования. Дуга используется для создания высоких температур, плавящих металл на поверхности заготовки для образования соединения.Распространенные методы дуговой сварки включают ручную дуговую сварку, аргонодуговую сварку, дуговую сварку под флюсом и т. д. Тепло, выделяемое сопротивлением, используется для плавления металла на поверхности заготовки для образования соединения.Контактная сварка включает точечную сварку, шовную сварку и сварку болтов.
Каковы преимущества сварки под флюсом?
Дуговая сварка под флюсом подходит для автоматизации и больших объемов работ.Он позволяет выполнить большой объем сварочных работ за относительно короткий период времени и повысить эффективность производства.Дуговая сварка под флюсом подходит для автоматизации и больших объемов работ.Он позволяет выполнить большой объем сварочных работ за относительно короткий период времени и повысить эффективность производства.Дуговая сварка под флюсом обычно используется для сварки более толстых металлических листов, поскольку ее большой ток и высокая проникающая способность делают ее более эффективной в этих применениях.Поскольку сварной шов покрыт флюсом, можно эффективно предотвратить попадание кислорода в зону сварного шва, тем самым уменьшая вероятность окисления и разбрызгивания. По сравнению с некоторыми методами ручной сварки, сварку под флюсом часто легче автоматизировать, что снижает высокие требования к навыки работника.При сварке под флюсом можно одновременно использовать несколько сварочных проволок и дуг для достижения многоканальной (многослойной) сварки и повышения эффективности.
Введение в форму двутавровой балки?
Форма поперечного сечения стальной двутавровой балки, широко известная как «工字钢» (gōngzìgāng) на китайском языке, в открытом состоянии напоминает букву «H».В частности, поперечное сечение обычно состоит из двух горизонтальных стержней (полок) сверху и снизу и вертикальной средней стержня (перемычки).Эта форма «H» придает стальной двутавровой балке превосходную прочность и стабильность, что делает ее распространенным конструкционным материалом в строительстве и машиностроении. Разработанная форма стальной двутавровой балки позволяет использовать ее в различных несущих и опорных конструкциях, таких как в виде балок, колонн и мостовых конструкций.Такая структурная конфигурация позволяет стальной двутавровой балке эффективно распределять нагрузки при воздействии сил, обеспечивая надежную поддержку.Благодаря своей уникальной форме и структурным характеристикам двутавровая сталь находит широкое применение в строительстве и машиностроении.
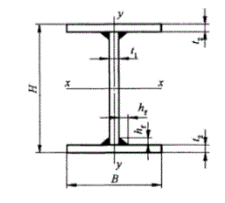
Как выразить размер и выразительность двутавровой балки?
H——Высота
Б——Ширина
t1 — Толщина стенки
t2 — Толщина фланца
h£——Сварной размер (при использовании комбинации стыковых и угловых швов следует использовать размер усиленной сварочной ветви hk)
Размеры, формы и допускаемые отклонения свариваемой Н-образной стали
Размеры поперечного сечения, площадь поперечного сечения, теоретическая масса и характеристические параметры сечения свариваемой Н-образной стали
Упаковка:
1. Упаковка очень важна,
особенно в случае
международных перевозок,
при которых груз
проходит через различные
каналы, чтобы достичь
конечного пункта
назначения, поэтому мы
уделяем особое внимание
упаковке.
2. Saky
Steel упаковывает наши
товары различными
способами в зависимости
от продукции.Мы
упаковываем нашу
продукцию разными
способами, например:













